Подшипники гост
Интернет-магазин
8-800-250-16-58
Обратный звонок

Заказ обратного звонка




Эл. почта:
info@amost.ru
Свои заказы Корзина пуста





Получать прайс-лист на email:

Чтобы отписаться от рассылки, введите e-mail, на который вы получаете наши письма:

 

Поиск подшипников

Масса и размеры

Внутренний диаметр d, мм

От  до 

Наружный диаметр D, мм

От  до 

Ширина b, мм

Применяемость

Раздел каталога

Подшипник шариковый радиальный однорядный основного конструктивного исполнения

106 АШ1 ГОСТ 520

Отечественный
Импортный
Цена: 35.00 руб

Производитель



под заказ
Обозначение 106 АШ1 ГОСТ 520
Цена импортная 32
Новинки 0
Хиты продаж 0
Скидки 0
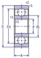
Внутренний диаметр, d (мм) 30
Наружный диаметр, D (мм) 55
Ширина, В (мм) 13
Масса, m (кг) 0.12
Грузоподъемность динамическая, C (kN) 13.3
Грузоподъемность статическая, Co (kN) 6.8
Ном. частота вращен. при пластич. смазке, n grease (1/min) 12000
Диаметр шарика, d шарика (мм) 7.144
Количество шариков, N шариков 11
Ном. частота вращен. при жидк. смазке, n oil (1/min) 15000
Диаметр борта наружного кольца, D1(mm) 46.8
Диаметр борта внутреннего кольца, d1 (mm) 38.2
Радиус фаски, r1, r2 min (мм) 1
106 АШ1 ГОСТ 520

Этот подшипник может быть заменен другими:

Подшипник 50106 — Условие отсутствует

Подшипник 60106 — При условии демонтажа одной защитной шайбы

Подшипник 160106 — При условии демонтажа одной защитной шайбы

Подшипник 150106 — При условии демонтажа одной защитной шайбы (п/ш с канавкой)

Подшипник 80106 — При условии демонтажа 2-х защитных шайб

Подшипник 180106 — При условии демонтажа 2-х защитных шайб

Подшипник 450106 — При условии демонтажа 2-х защитных шайб

Подшипник 750106 — При условии демонтажа 2-х защитных шайб

Марка Модель Узел Кол-во на узел
БелАЗ 549(75т) Управление рулевое 1
БелАЗ 7420-9590 Управление рулевое 1
БелАЗ 7509 Управление рулевое 1
БелАЗ 75091(75т) Управление рулевое 1
БелАЗ 7519 Управление рулевое 1
БелАЗ 75191(110т) Управление рулевое 1
БелАЗ 75211(180т) Управление рулевое 1
ЗИЛ 133ВЯ Двигатель: система питания 1
ЗИЛ 133ГЯ Двигатель: система питания 1
КАЗ 4540 Двигатель: система питания 1
КамАЗ 4310 Двигатель: система питания 1
КамАЗ 4310 Двигатель: система питания 1
КамАЗ 43105 Двигатель: система питания 1
КамАЗ 43105 Двигатель: система питания 1
КамАЗ 5320 Двигатель: система питания 1
КамАЗ 5320 Двигатель: державка грузов регулятора насоса топливного высокого давления, опора задняя 1
КамАЗ 53211 Двигатель: державка грузов регулятора насоса топливного высокого давления, опора задняя 1
КамАЗ 53212 Двигатель: система питания 1
КамАЗ 53212 Двигатель: державка грузов регулятора насоса топливного высокого давления, опора задняя 1
КамАЗ 53213 Двигатель: система питания 1
КамАЗ 53213 Двигатель: державка грузов регулятора насоса топливного высокого давления, опора задняя 1
КамАЗ 53222 Двигатель: система питания 1
КамАЗ 5325 Двигатель: система питания 1
КамАЗ 5410 Двигатель: система питания 1
КамАЗ 5410 Двигатель: державка грузов регулятора насоса топливного высокого давления, опора задняя 1
КамАЗ 54112 Двигатель: система питания 1
КамАЗ 54112 Двигатель: державка грузов регулятора насоса топливного высокого давления, опора задняя 1
КамАЗ 54122 Двигатель: система питания 1
КамАЗ 5425 Двигатель: система питания 1
КамАЗ 55102 Двигатель: система питания 1
КамАЗ 55102 Двигатель: державка грузов регулятора насоса топливного высокого давления, опора задняя 1
КамАЗ 5511 Двигатель: система питания 1
КамАЗ 55111 Двигатель: державка грузов регулятора насоса топливного высокого давления, опора задняя 1
КамАЗ 6410 Двигатель: система питания 1
КамАЗ 6410 Двигатель: система питания -
КамАЗ 6410 Двигатель: система питания 2
КЗКТ Э538ДК Двигатель 2
КЗКТ Э538ДП Двигатель 2
Комбайн КПИ-2.4 Измельчитель: редуктор привода вальцов нижних -
ЛиАЗ 5256 Двигатель: система питания 1
ЛиАЗ 5256 Двигатель: система питания 1
МАЗ 537 Двигатель 2
МАЗ 537Г Двигатель 2
МАЗ 538 Двигатель 2
МАЗ 543 Двигатель 2
МАЗ 547 Двигатель 2
МАЗ 7310 Двигатель 2
МАЗ 73101 Двигатель 2
МАЗ 7410 Двигатель 2
Трамвайный вагон Т-2 Контроллер 1
Трамвайный вагон Т-3 Контроллер 1
УРАЛ 4320 Двигатель 1
УРАЛ 5557 Двигатель 1
УРАЛ 5920 Двигатель 1
Бренд Обозначение
ГПЗ 106
SKF 6006
FAG 6006
NSK 6006
Товар добавлен в корзину
Перейти в корзину ×