Подшипники гост
Интернет-магазин
8-800-250-16-58
Обратный звонок

Заказ обратного звонка




Эл. почта:
info@amost.ru
Свои заказы Корзина пуста





Получать прайс-лист на email:

Чтобы отписаться от рассылки, введите e-mail, на который вы получаете наши письма:

 

Поиск подшипников

Масса и размеры

Внутренний диаметр d, мм

От  до 

Наружный диаметр D, мм

От  до 

Ширина b, мм

Применяемость

Раздел каталога

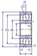
Подшипник шариковый радиально-упорный однорядный основного конструктивного исполнения

46306 АЛ ГОСТ 520

Отечественный
Импортный

Производитель



уточнять наличие
Обозначение 46306 АЛ ГОСТ 520
Внутренний диаметр, d (мм) 30
Наружный диаметр, D (мм) 72
Ширина, В (мм) 19
Масса, m (кг) 0.402
Грузоподъемность динамическая, C (kN) 32.6
Грузоподъемность статическая, Co (kN) 18.3
Ном. частота вращен. при пластич. смазке, n grease (1/min) 8000
Марка стали, Материал ШХ-15
Диаметр шарика, d шарика (мм) 12.303
Количество шариков, N шариков 11
Ном. частота вращен. при жидк. смазке, n oil (1/min) 10000
Диаметр борта наружного кольца, D1(mm) 59.4
Диаметр борта внутреннего кольца, d1 (mm) 44.6
Радиус фаски, r2, r3 min (мм) 0.6
Радиус фаски, r, r1 min (мм) 1.1
46306 АЛ ГОСТ 520

Этот подшипник может быть заменен другими:

Подшипник 246306 — У3, "У4" и т.д. - комплект из двух и более упорных подшипников

Подшипник 346306 — У3, "У4" и т.д. - комплект из двух и более упорных подшипников

Подшипник 446306 — У3, "У4" и т.д. - комплект из двух и более упорных подшипников

Бренд Обозначение
ГПЗ 46306
SKF 7306ACD
FAG 7306E
NSK 7306A
Товар добавлен в корзину
Перейти в корзину ×