Подшипники гост
Интернет-магазин
8-800-250-16-58
Обратный звонок

Заказ обратного звонка




Эл. почта:
info@amost.ru
Свои заказы Корзина пуста





Получать прайс-лист на email:

Чтобы отписаться от рассылки, введите e-mail, на который вы получаете наши письма:

 

Поиск подшипников

Масса и размеры

Внутренний диаметр d, мм

От  до 

Наружный диаметр D, мм

От  до 

Ширина b, мм

Применяемость

Раздел каталога

Подшипник шариковый радиально-упорный однорядный основного конструктивного исполнения

46220 АЛ ГОСТ 520

Отечественный
Импортный

Производитель



уточнять наличие
Обозначение 46220 АЛ ГОСТ 520
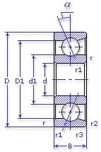
Внутренний диаметр, d (мм) 100
Наружный диаметр, D (мм) 180
Ширина, В (мм) 34
Масса, m (кг) 3.88
Грузоподъемность динамическая, C (kN) 148
Грузоподъемность статическая, Co (kN) 107
Ном. частота вращен. при пластич. смазке, n grease (1/min) 3200
Марка стали, Материал ШХ-15
Диаметр шарика, d шарика (мм) 25.4
Количество шариков, N шариков 15
Ном. частота вращен. при жидк. смазке, n oil (1/min) 4300
Диаметр борта наружного кольца, D1(mm) 158.5
Диаметр борта внутреннего кольца, d1 (mm) 123.1
Радиус фаски, r2, r3 min (мм) 1.1
Радиус фаски, r, r1 min (мм) 2.1
46220 АЛ ГОСТ 520

Этот подшипник может быть заменен другими:

Подшипник 246220 — У3, "У4" и т.д. - комплект из двух и более упорных подшипников

Подшипник 346220 — У3, "У4" и т.д. - комплект из двух и более упорных подшипников

Подшипник 446220 — У3, "У4" и т.д. - комплект из двух и более упорных подшипников

Бренд Обозначение
ГПЗ 46220
SKF 7220ACD
FAG 7220E
NSK 7220A
Товар добавлен в корзину
Перейти в корзину ×