Подшипники гост
Интернет-магазин
8-800-250-16-58
Обратный звонок

Заказ обратного звонка




Эл. почта:
info@amost.ru
Свои заказы Корзина пуста





Получать прайс-лист на email:

Чтобы отписаться от рассылки, введите e-mail, на который вы получаете наши письма:

 

Поиск подшипников

Масса и размеры

Внутренний диаметр d, мм

От  до 

Наружный диаметр D, мм

От  до 

Ширина b, мм

Применяемость

Раздел каталога

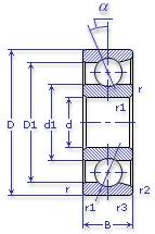
Подшипник шариковый радиально-упорный однорядный основного конструктивного исполнения

46209 Л ГОСТ 520

Отечественный
Импортный

Производитель



уточнять наличие
Обозначение 46209 Л ГОСТ 520
Внутренний диаметр, d (мм) 45
Наружный диаметр, D (мм) 85
Ширина, В (мм) 19
Масса, m (кг) 0.404
Грузоподъемность динамическая, C (kN) 38.7
Грузоподъемность статическая, Co (kN) 23.1
Ном. частота вращен. при пластич. смазке, n grease (1/min) 7000
Марка стали, Материал ШХ-15
Диаметр шарика, d шарика (мм) 13.494
Количество шариков, N шариков 13
Ном. частота вращен. при жидк. смазке, n oil (1/min) 8500
Диаметр борта наружного кольца, D1(mm) 72.6
Диаметр борта внутреннего кольца, d1 (mm) 57.4
Радиус фаски, r2, r3 min (мм) 0.6
Радиус фаски, r, r1 min (мм) 1.1
46209 Л ГОСТ 520

Этот подшипник может быть заменен другими:

Подшипник 246209 — У3, "У4" и т.д. - комплект из двух и более упорных подшипников

Подшипник 346209 — У3, "У4" и т.д. - комплект из двух и более упорных подшипников

Подшипник 446209 — У3, "У4" и т.д. - комплект из двух и более упорных подшипников

Марка Модель Узел Кол-во на узел
ЗИЛ 133ВЯ Мост задний 1
ЗИЛ 133ВЯ Мост средний 2
ЗИЛ 133Г1 Мост задний 2
ЗИЛ 133Г1 Мост средний 2
ЗИЛ 133ГЯ Мост задний 1
ЗИЛ 133ГЯ Мост средний 2
Бренд Обозначение
ГПЗ 46209
SKF 7209ACD
FAG 7209E
NSK 7209A
Товар добавлен в корзину
Перейти в корзину ×