Подшипники гост
Интернет-магазин
8-800-250-16-58
Обратный звонок

Заказ обратного звонка




Эл. почта:
info@amost.ru
Свои заказы Корзина пуста





Получать прайс-лист на email:

Чтобы отписаться от рассылки, введите e-mail, на который вы получаете наши письма:

 

Поиск подшипников

Масса и размеры

Внутренний диаметр d, мм

От  до 

Наружный диаметр D, мм

От  до 

Ширина b, мм

Применяемость

Раздел каталога

Подшипник шариковый радиально-упорный однорядный основного конструктивного исполнения

46208 Е5 ГОСТ 520

Отечественный
Импортный

Производитель



уточнять наличие
Обозначение 46208 Е5 ГОСТ 520
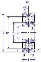
Внутренний диаметр, d (мм) 40
Наружный диаметр, D (мм) 80
Ширина, В (мм) 18
Масса, m (кг) 0.36
Грузоподъемность динамическая, C (kN) 36.8
Грузоподъемность статическая, Co (kN) 21.3
Ном. частота вращен. при пластич. смазке, n grease (1/min) 8000
Диаметр шарика, d шарика (мм) 12.7
Количество шариков, N шариков 12
Ном. частота вращен. при жидк. смазке, n oil (1/min) 9000
Диаметр борта наружного кольца, D1(mm) 67.6
Диаметр борта внутреннего кольца, d1 (mm) 52.4
Радиус фаски, r2, r3 min (мм) 0.6
Радиус фаски, r, r1 min (мм) 1.1
46208 Е5 ГОСТ 520

Этот подшипник может быть заменен другими:

Подшипник 246208 — У3, "У4" и т.д. - комплект из двух и более упорных подшипников

Подшипник 446208 — У3, "У4" и т.д. - комплект из двух и более упорных подшипников

Бренд Обозначение
ГПЗ 46208
SKF 7208ACD
FAG 7208E
NSK 7208A
Товар добавлен в корзину
Перейти в корзину ×