Подшипники гост
Интернет-магазин
8-800-250-16-58
Обратный звонок

Заказ обратного звонка




Эл. почта:
info@amost.ru
Свои заказы Корзина пуста





Получать прайс-лист на email:

Чтобы отписаться от рассылки, введите e-mail, на который вы получаете наши письма:

 

Поиск подшипников

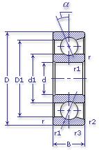
Масса и размеры

Внутренний диаметр d, мм

От  до 

Наружный диаметр D, мм

От  до 

Ширина b, мм

Применяемость

Раздел каталога

Подшипник шариковый радиально-упорный однорядный основного конструктивного исполнения

46207 Е5 ГОСТ 520

Отечественный
Импортный

Производитель



уточнять наличие
Обозначение 46207 Е5 ГОСТ 520
Внутренний диаметр, d (мм) 35
Наружный диаметр, D (мм) 72
Ширина, В (мм) 17
Масса, m (кг) 0.289
Грузоподъемность динамическая, C (kN) 29
Грузоподъемность статическая, Co (kN) 16.4
Ном. частота вращен. при пластич. смазке, n grease (1/min) 9000
Марка стали, Материал ШХ-15
Диаметр шарика, d шарика (мм) 11.112
Количество шариков, N шариков 12
Ном. частота вращен. при жидк. смазке, n oil (1/min) 11000
Диаметр борта наружного кольца, D1(mm) 60.2
Диаметр борта внутреннего кольца, d1 (mm) 46.9
Радиус фаски, r2, r3 min (мм) 0.6
Радиус фаски, r, r1 min (мм) 1.1
46207 Е5 ГОСТ 520

Этот подшипник может быть заменен другими:

Подшипник 246207 — У3, "У4" и т.д. - комплект из двух и более упорных подшипников

Подшипник 346207 — У3, "У4" и т.д. - комплект из двух и более упорных подшипников

Подшипник 446207 — У3, "У4" и т.д. - комплект из двух и более упорных подшипников

Бренд Обозначение
ГПЗ 46207
SKF 7207ACD
FAG 7207E
NSK 7207A
Товар добавлен в корзину
Перейти в корзину ×