Подшипники гост
Интернет-магазин
8-800-250-16-58
Обратный звонок

Заказ обратного звонка




Эл. почта:
info@amost.ru
Свои заказы Корзина пуста





Получать прайс-лист на email:

Чтобы отписаться от рассылки, введите e-mail, на который вы получаете наши письма:

 

Поиск подшипников

Масса и размеры

Внутренний диаметр d, мм

От  до 

Наружный диаметр D, мм

От  до 

Ширина b, мм

Применяемость

Раздел каталога

Подшипник шариковый радиально-упорный однорядный основного конструктивного исполнения

46130 Л ГОСТ 520

Отечественный
Импортный

Производитель



уточнять наличие
Обозначение 46130 Л ГОСТ 520
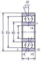
Внутренний диаметр, d (мм) 150
Наружный диаметр, D (мм) 225
Ширина, В (мм) 35
Масса, m (кг) 2.98
Грузоподъемность динамическая, C (kN) 144
Грузоподъемность статическая, Co (kN) 120
Ном. частота вращен. при пластич. смазке, n grease (1/min) 2800
Марка стали, Материал ШХ-15
Диаметр шарика, d шарика (мм) 22.225
Количество шариков, N шариков 22
Ном. частота вращен. при жидк. смазке, n oil (1/min) 3800
Диаметр борта наружного кольца, D1(mm) 200.8
Диаметр борта внутреннего кольца, d1 (mm) 174.2
Радиус фаски, r2, r3 min (мм) 1.1
Радиус фаски, r, r1 min (мм) 2.1
46130 Л ГОСТ 520
Бренд Обозначение
ГПЗ 46130
SKF 7030ACD
FAG 7030E
NSK 7030A
Товар добавлен в корзину
Перейти в корзину ×