Подшипники гост
Интернет-магазин
8-800-250-16-58
Обратный звонок

Заказ обратного звонка




Эл. почта:
info@amost.ru
Свои заказы Корзина пуста





Получать прайс-лист на email:

Чтобы отписаться от рассылки, введите e-mail, на который вы получаете наши письма:

 

Поиск подшипников

Масса и размеры

Внутренний диаметр d, мм

От  до 

Наружный диаметр D, мм

От  до 

Ширина b, мм

Применяемость

Раздел каталога

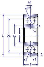
Подшипник шариковый радиально-упорный однорядный основного конструктивного исполнения

46124 Л ГОСТ 520

Отечественный
Импортный

Производитель



уточнять наличие
Обозначение 46124 Л ГОСТ 520
Внутренний диаметр, d (мм) 120
Наружный диаметр, D (мм) 180
Ширина, В (мм) 28
Масса, m (кг) 2.42
Грузоподъемность динамическая, C (kN) 101
Грузоподъемность статическая, Co (kN) 80.8
Ном. частота вращен. при пластич. смазке, n grease (1/min) 3600
Марка стали, Материал ШХ-15
Диаметр шарика, d шарика (мм) 18.256
Количество шариков, N шариков 22
Ном. частота вращен. при жидк. смазке, n oil (1/min) 4800
Диаметр борта наружного кольца, D1(mm) 161
Диаметр борта внутреннего кольца, d1 (mm) 139
Радиус фаски, r2, r3 min (мм) 1
Радиус фаски, r, r1 min (мм) 2
46124 Л ГОСТ 520

Этот подшипник может быть заменен другими:

Подшипник 246124 — У3, "У4" и т.д. - комплект из двух и более упорных подшипников

Бренд Обозначение
ГПЗ 46124
SKF 7024ACD
FAG 7024E
NSK 7024A
Товар добавлен в корзину
Перейти в корзину ×