Подшипники гост
Интернет-магазин
8-800-250-16-58
Обратный звонок

Заказ обратного звонка




Эл. почта:
info@amost.ru
Свои заказы Корзина пуста





Получать прайс-лист на email:

Чтобы отписаться от рассылки, введите e-mail, на который вы получаете наши письма:

 

Поиск подшипников

Масса и размеры

Внутренний диаметр d, мм

От  до 

Наружный диаметр D, мм

От  до 

Ширина b, мм

Применяемость

Раздел каталога

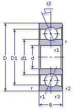
Подшипник шариковый радиально-упорный однорядный основного конструктивного исполнения

46120 Е5 ГОСТ 520

Отечественный
Импортный

Производитель



уточнять наличие
Обозначение 46120 Е5 ГОСТ 520
Внутренний диаметр, d (мм) 100
Наружный диаметр, D (мм) 150
Ширина, В (мм) 24
Масса, m (кг) 1.56
Грузоподъемность динамическая, C (kN) 71.5
Грузоподъемность статическая, Co (kN) 55.1
Ном. частота вращен. при пластич. смазке, n grease (1/min) 4300
Марка стали, Материал ШХ-15
Диаметр шарика, d шарика (мм) 15.088
Количество шариков, N шариков 22
Ном. частота вращен. при жидк. смазке, n oil (1/min) 5600
Диаметр борта наружного кольца, D1(mm) 132.6
Диаметр борта внутреннего кольца, d1 (mm) 117.4
Радиус фаски, r2, r3 min (мм) 1
Радиус фаски, r, r1 min (мм) 1.5
46120 Е5 ГОСТ 520

Этот подшипник может быть заменен другими:

Подшипник 246120 — У3, "У4" и т.д. - комплект из двух и более упорных подшипников

Подшипник 346120 — У3, "У4" и т.д. - комплект из двух и более упорных подшипников

Подшипник 446120 — У3, "У4" и т.д. - комплект из двух и более упорных подшипников

Марка Модель Узел Кол-во на узел
Трактор Т-150 Двигатель: муфта отжимная 1
Трактор Т-150 Сцепление: корпус механизма выключения 1
Трактор Т-150К Двигатель: муфта отжимная 1
Трактор Т-150К Сцепление: корпус механизма выключения 1
Трактор Т-151К с двигателем СМД-62/63 Двигатель: муфта отжимная -
Трактор Т-151К с двигателем СМД-62А/63А Двигатель: муфта отжимная -
Трактор Т-4А Муфта сцепления -
Трактор ТТ-4М Муфта выключения -
Трактор ТТ-4М-01 Муфта выключения -
Трактор ХТЗ-120 Двигатель: муфта сцепления -
Трактор ХТЗ-121 Двигатель: муфта сцепления -
Бренд Обозначение
ГПЗ 46120
SKF 7020ACD
FAG 7020E
NSK 7020A
Товар добавлен в корзину
Перейти в корзину ×