Подшипники гост
Интернет-магазин
8-800-250-16-58
Обратный звонок

Заказ обратного звонка




Эл. почта:
info@amost.ru
Свои заказы Корзина пуста





Получать прайс-лист на email:

Чтобы отписаться от рассылки, введите e-mail, на который вы получаете наши письма:

 

Поиск подшипников

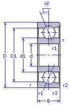
Масса и размеры

Внутренний диаметр d, мм

От  до 

Наружный диаметр D, мм

От  до 

Ширина b, мм

Применяемость

Раздел каталога

Подшипник шариковый радиально-упорный однорядный основного конструктивного исполнения

46105 Е ГОСТ 520

Отечественный
Импортный

Производитель



уточнять наличие
Обозначение 46105 Е ГОСТ 520
Внутренний диаметр, d (мм) 25
Наружный диаметр, D (мм) 47
Ширина, В (мм) 12
Масса, m (кг) 0.082
Грузоподъемность динамическая, C (kN) 11
Грузоподъемность статическая, Co (kN) 5.3
Ном. частота вращен. при пластич. смазке, n grease (1/min) 11800
Марка стали, Материал ШХ-15
Ном. частота вращен. при жидк. смазке, n oil (1/min) 15000
Диаметр борта наружного кольца, D1(mm) 40
Диаметр борта внутреннего кольца, d1 (mm) 32
Радиус фаски, r2, r3 min (мм) 0.3
Радиус фаски, r, r1 min (мм) 0.6
46105 Е ГОСТ 520

Этот подшипник может быть заменен другими:

Подшипник 246105 — У3, "У4" и т.д. - комплект из двух и более упорных подшипников

Подшипник 346105 — У3, "У4" и т.д. - комплект из двух и более упорных подшипников

Подшипник 446105 — У3, "У4" и т.д. - комплект из двух и более упорных подшипников

Бренд Обозначение
ГПЗ 46105
SKF 7005ACD
FAG 7005E
NSK 7005A
Товар добавлен в корзину
Перейти в корзину ×