Подшипники гост
Интернет-магазин
8-800-250-16-58
Обратный звонок

Заказ обратного звонка




Эл. почта:
info@amost.ru
Свои заказы Корзина пуста





Получать прайс-лист на email:

Чтобы отписаться от рассылки, введите e-mail, на который вы получаете наши письма:

 

Поиск подшипников

Масса и размеры

Внутренний диаметр d, мм

От  до 

Наружный диаметр D, мм

От  до 

Ширина b, мм

Применяемость

Раздел каталога

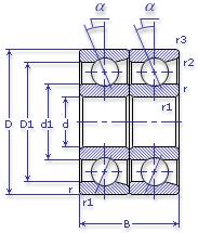
Подшипник шариковый радиально-упорный однорядный сдвоенный схема комплектования Тандем замок на наружном кольце

446116 Л ГОСТ 520

Отечественный
Импортный

Производитель



уточнять наличие
Обозначение 446116 Л ГОСТ 520
Внутренний диаметр, d (мм) 80
Наружный диаметр, D (мм) 125
Ширина, В (мм) 44
Масса, m (кг) 2
Грузоподъемность динамическая, C (kN) 91
Грузоподъемность статическая, Co (kN) 80.2
Ном. частота вращен. при пластич. смазке, n grease (1/min) 5300
Марка стали, Материал ШХ-15
Ном. частота вращен. при жидк. смазке, n oil (1/min) 7000
Диаметр борта наружного кольца, D1(mm) 111.5
Диаметр борта внутреннего кольца, d1 (mm) 95.6
Радиус фаски, r2, r3 min (мм) 0.6
Радиус фаски, r, r1 min (мм) 1.1
446116 Л ГОСТ 520
Бренд Обозначение
ГПЗ 446116
SKF 7016 ACD/DT
FAG 7016EDU
NSK 7016ADT
Товар добавлен в корзину
Перейти в корзину ×