Подшипники гост
Интернет-магазин
8-800-250-16-58
Обратный звонок

Заказ обратного звонка




Эл. почта:
info@amost.ru
Свои заказы Корзина пуста





Получать прайс-лист на email:

Чтобы отписаться от рассылки, введите e-mail, на который вы получаете наши письма:

 

Поиск подшипников

Масса и размеры

Внутренний диаметр d, мм

От  до 

Наружный диаметр D, мм

От  до 

Ширина b, мм

Применяемость

Раздел каталога

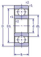
Подшипник шариковый радиальный однорядный основного конструктивного исполнения

132 Л ТУ 37.006.153

Отечественный
Импортный

Производитель



уточнять наличие
Обозначение 132 Л ТУ 37.006.153
Внутренний диаметр, d (мм) 160
Наружный диаметр, D (мм) 240
Ширина, В (мм) 38
Масса, m (кг) 6.4
Грузоподъемность динамическая, C (kN) 143
Грузоподъемность статическая, Co (kN) 112
Ном. частота вращен. при пластич. смазке, n grease (1/min) 2400
Марка стали, Материал ШХ-15
Диаметр шарика, d шарика (мм) 23.812
Количество шариков, N шариков 15
Ном. частота вращен. при жидк. смазке, n oil (1/min) 3000
132 Л ТУ 37.006.153
Бренд Обозначение
ГПЗ 132
SKF 6032
FAG 6032
NSK 6032
Товар добавлен в корзину
Перейти в корзину ×