Подшипники гост
Интернет-магазин
8-800-250-16-58
Обратный звонок

Заказ обратного звонка




Эл. почта:
info@amost.ru
Свои заказы Корзина пуста





Получать прайс-лист на email:

Чтобы отписаться от рассылки, введите e-mail, на который вы получаете наши письма:

 

Поиск подшипников

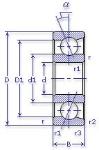
Масса и размеры

Внутренний диаметр d, мм

От  до 

Наружный диаметр D, мм

От  до 

Ширина b, мм

Применяемость

Раздел каталога

Подшипник шариковый радиально-упорный однорядный основного конструктивного исполнения

66322 ЕШ2 ТУ 4477-Э

Отечественный
Импортный

Производитель



уточнять наличие
Обозначение 66322 ЕШ2 ТУ 4477-Э
Внутренний диаметр, d (мм) 110
Наружный диаметр, D (мм) 240
Ширина, В (мм) 50
Масса, m (кг) 11,2
Грузоподъемность динамическая, C (kN) 225
Грузоподъемность статическая, Co (kN) 218.4
Ном. частота вращен. при пластич. смазке, n grease (1/min) 2200
Марка стали, Материал ШХ-15
Диаметр шарика, d шарика (мм) 41.275
Количество шариков, N шариков 11
Ном. частота вращен. при жидк. смазке, n oil (1/min) 3000
66322 ЕШ2 ТУ 4477-Э

Этот подшипник может быть заменен другими:

Подшипник 366322 — У3, "У4" и т.д. - комплект из двух и более упорных подшипников

Подшипник 466322 — У3, "У4" и т.д. - комплект из двух и более упорных подшипников

Марка Модель Узел Кол-во на узел
БелАЗ 548(40т) Мост задний 1
БелАЗ 7523(40т) Мост задний 2
БелАЗ 7548(42т) Мост задний 1
Станкостроение Не указано Не указано -
Станкостроение Не указано Не указано -
Бренд Обозначение
ГПЗ 66322
SKF 7322B
FAG 7322B
NSK 7322B
Товар добавлен в корзину
Перейти в корзину ×