Подшипники гост
Интернет-магазин
8-800-250-16-58
Обратный звонок

Заказ обратного звонка




Эл. почта:
info@amost.ru
Свои заказы Корзина пуста





Получать прайс-лист на email:

Чтобы отписаться от рассылки, введите e-mail, на который вы получаете наши письма:

 

Поиск подшипников

Масса и размеры

Внутренний диаметр d, мм

От  до 

Наружный диаметр D, мм

От  до 

Ширина b, мм

Применяемость

Раздел каталога

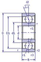
Подшипник шариковый радиально-упорный однорядный основного конструктивного исполнения

66314 Л ГОСТ 520

Отечественный
Импортный

Производитель



уточнять наличие
Обозначение 66314 Л ГОСТ 520
Внутренний диаметр, d (мм) 70
Наружный диаметр, D (мм) 150
Ширина, В (мм) 35
Масса, m (кг) 3.1
Грузоподъемность динамическая, C (kN) 119
Грузоподъемность статическая, Co (kN) 76.8
Ном. частота вращен. при пластич. смазке, n grease (1/min) 3600
Марка стали, Материал ШХ-15
Диаметр шарика, d шарика (мм) 25.4
Количество шариков, N шариков 12
Ном. частота вращен. при жидк. смазке, n oil (1/min) 4800
Диаметр борта наружного кольца, D1(mm) 122.8
Диаметр борта внутреннего кольца, d1 (mm) 97.2
Радиус фаски, r2, r3 min (мм) 1.1
Радиус фаски, r, r1 min (мм) 2.1
66314 Л ГОСТ 520

Этот подшипник может быть заменен другими:

Подшипник 266314 — У3, "У4" и т.д. - комплект из двух и более упорных подшипников

Подшипник 366314 — У3, "У4" и т.д. - комплект из двух и более упорных подшипников

Подшипник 466314 — У3, "У4" и т.д. - комплект из двух и более упорных подшипников

Бренд Обозначение
ГПЗ 66314
SKF 7314B
FAG 7314B
NSK 7314B
Товар добавлен в корзину
Перейти в корзину ×