Подшипники гост
Интернет-магазин
8-800-250-16-58
Обратный звонок

Заказ обратного звонка




Эл. почта:
info@amost.ru
Свои заказы Корзина пуста





Получать прайс-лист на email:

Чтобы отписаться от рассылки, введите e-mail, на который вы получаете наши письма:

 

Поиск подшипников

Масса и размеры

Внутренний диаметр d, мм

От  до 

Наружный диаметр D, мм

От  до 

Ширина b, мм

Применяемость

Раздел каталога

Подшипник шариковый радиально-упорный однорядный

46215 КЕШ3 ГОСТ 520

Отечественный
Импортный
Цена: 2 472.00 руб

Производитель



под заказ
Обозначение 46215 КЕШ3 ГОСТ 520
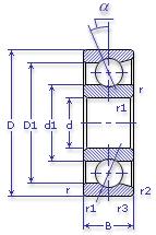
Внутренний диаметр, d (мм) 75
Наружный диаметр, D (мм) 130
Ширина, В (мм) 25
Масса, m (кг) 1.28
Грузоподъемность динамическая, C (kN) 78.4
Грузоподъемность статическая, Co (kN) 53.8
Ном. частота вращен. при пластич. смазке, n grease (1/min) 5000
Марка стали, Материал ШХ-15
Диаметр шарика, d шарика (мм) 17.462
Количество шариков, N шариков 16
Ном. частота вращен. при жидк. смазке, n oil (1/min) 6300
Диаметр борта наружного кольца, D1(mm) 113
Диаметр борта внутреннего кольца, d1 (mm) 92
Радиус фаски, r2, r3 min (мм) 1
Радиус фаски, r, r1 min (мм) 1.5
46215 КЕШ3 ГОСТ 520

Этот подшипник может быть заменен другими:

Подшипник 246215 — У3, "У4" и т.д. - комплект из двух и более упорных подшипников

Подшипник 346215 — У3, "У4" и т.д. - комплект из двух и более упорных подшипников

Подшипник 446215 — У3, "У4" и т.д. - комплект из двух и более упорных подшипников

Бренд Обозначение
ГПЗ 46215
SKF 7215ACD
FAG 7215E
NSK 7215A
Товар добавлен в корзину
Перейти в корзину ×