Подшипники гост
Интернет-магазин
8-800-250-16-58
Обратный звонок

Заказ обратного звонка




Эл. почта:
info@amost.ru
Свои заказы Корзина пуста





Получать прайс-лист на email:

Чтобы отписаться от рассылки, введите e-mail, на который вы получаете наши письма:

 

Поиск подшипников

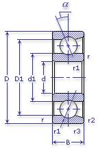
Масса и размеры

Внутренний диаметр d, мм

От  до 

Наружный диаметр D, мм

От  до 

Ширина b, мм

Применяемость

Раздел каталога

Подшипник шариковый радиально-упорный однорядный

46211 Е4 ТУ 37.006.087

Отечественный
Импортный

Производитель



уточнять наличие
Обозначение 46211 Е4 ТУ 37.006.087
Внутренний диаметр, d (мм) 55
Наружный диаметр, D (мм) 100
Ширина, В (мм) 21
Масса, m (кг) 0.599
Грузоподъемность динамическая, C (kN) 50.3
Грузоподъемность статическая, Co (kN) 31.5
Ном. частота вращен. при пластич. смазке, n grease (1/min) 6300
Марка стали, Материал ШХ-15
Диаметр шарика, d шарика (мм) 14.288
Количество шариков, N шариков 14
Ном. частота вращен. при жидк. смазке, n oil (1/min) 8000
Диаметр борта наружного кольца, D1(mm) 86.1
Диаметр борта внутреннего кольца, d1 (mm) 68.7
Радиус фаски, r2, r3 min (мм) 1
Радиус фаски, r, r1 min (мм) 1.5
46211 Е4 ТУ 37.006.087

Этот подшипник может быть заменен другими:

Подшипник 346211 — У3, "У4" и т.д. - комплект из двух и более упорных подшипников

Подшипник 446211 — У3, "У4" и т.д. - комплект из двух и более упорных подшипников

Бренд Обозначение
ГПЗ 46211
SKF 7211ACD
FAG 7211E
NSK 7211A
Товар добавлен в корзину
Перейти в корзину ×