Подшипники гост
Интернет-магазин
8-800-250-16-58
Обратный звонок

Заказ обратного звонка




Эл. почта:
info@amost.ru
Свои заказы Корзина пуста





Получать прайс-лист на email:

Чтобы отписаться от рассылки, введите e-mail, на который вы получаете наши письма:

 

Поиск подшипников

Масса и размеры

Внутренний диаметр d, мм

От  до 

Наружный диаметр D, мм

От  до 

Ширина b, мм

Применяемость

Раздел каталога

Подшипник шариковый радиально-упорный однорядный основного конструктивного исполнения

46208 Л ГОСТ 520

Отечественный
Импортный

Производитель



уточнять наличие
Обозначение 46208 Л ГОСТ 520
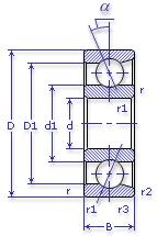
Внутренний диаметр, d (мм) 40
Наружный диаметр, D (мм) 80
Ширина, В (мм) 18
Масса, m (кг) 0.36
Грузоподъемность динамическая, C (kN) 36.8
Грузоподъемность статическая, Co (kN) 21.3
Ном. частота вращен. при пластич. смазке, n grease (1/min) 8000
Диаметр шарика, d шарика (мм) 12.7
Количество шариков, N шариков 12
Ном. частота вращен. при жидк. смазке, n oil (1/min) 9000
Диаметр борта наружного кольца, D1(mm) 67.6
Диаметр борта внутреннего кольца, d1 (mm) 52.4
Радиус фаски, r2, r3 min (мм) 0.6
Радиус фаски, r, r1 min (мм) 1.1
46208 Л ГОСТ 520

Этот подшипник может быть заменен другими:

Подшипник 246208 — У3, "У4" и т.д. - комплект из двух и более упорных подшипников

Подшипник 446208 — У3, "У4" и т.д. - комплект из двух и более упорных подшипников

Бренд Обозначение
ГПЗ 46208
SKF 7208ACD
FAG 7208E
NSK 7208A
Товар добавлен в корзину
Перейти в корзину ×