Подшипники гост
Интернет-магазин
8-800-250-16-58
Обратный звонок

Заказ обратного звонка




Эл. почта:
info@amost.ru
Свои заказы Корзина пуста





Получать прайс-лист на email:

Чтобы отписаться от рассылки, введите e-mail, на который вы получаете наши письма:

 

Поиск подшипников

Масса и размеры

Внутренний диаметр d, мм

От  до 

Наружный диаметр D, мм

От  до 

Ширина b, мм

Применяемость

Раздел каталога

Подшипник шариковый радиально-упорный однорядный основного конструктивного исполнения

46206 Л ГОСТ 520

Отечественный
Импортный

Производитель



уточнять наличие
Обозначение 46206 Л ГОСТ 520
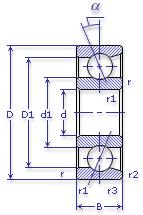
Внутренний диаметр, d (мм) 30
Наружный диаметр, D (мм) 62
Ширина, В (мм) 16
Масса, m (кг) 0.232
Грузоподъемность динамическая, C (kN) 21.9
Грузоподъемность статическая, Co (kN) 12
Ном. частота вращен. при пластич. смазке, n grease (1/min) 10000
Марка стали, Материал ШХ-15
Диаметр шарика, d шарика (мм) 9.525
Количество шариков, N шариков 11
Ном. частота вращен. при жидк. смазке, n oil (1/min) 13000
Диаметр борта наружного кольца, D1(mm) 51.7
Диаметр борта внутреннего кольца, d1 (mm) 40.3
Радиус фаски, r2, r3 min (мм) 0.6
Радиус фаски, r, r1 min (мм) 1
46206 Л ГОСТ 520

Этот подшипник может быть заменен другими:

Подшипник 246206 — У3, "У4" и т.д. - комплект из двух и более упорных подшипников

Подшипник 346206 — У3, "У4" и т.д. - комплект из двух и более упорных подшипников

Подшипник 446206 — У3, "У4" и т.д. - комплект из двух и более упорных подшипников

Марка Модель Узел Кол-во на узел
ЛиАЗ 5256 Двигатель: система охлаждения 1
Бренд Обозначение
ГПЗ 46206
SKF 7206ACD
FAG 7206E
NSK 7206A
Товар добавлен в корзину
Перейти в корзину ×