Подшипники гост
Интернет-магазин
8-800-250-16-58
Обратный звонок

Заказ обратного звонка




Эл. почта:
info@amost.ru
Свои заказы Корзина пуста





Получать прайс-лист на email:

Чтобы отписаться от рассылки, введите e-mail, на который вы получаете наши письма:

 

Поиск подшипников

Масса и размеры

Внутренний диаметр d, мм

От  до 

Наружный диаметр D, мм

От  до 

Ширина b, мм

Применяемость

Раздел каталога

Подшипник шариковый радиально-упорный однорядный

46116 ЛУ ГОСТ 520

Отечественный
Импортный

Производитель



уточнять наличие
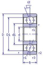
Обозначение 46116 ЛУ ГОСТ 520
Внутренний диаметр, d (мм) 80
Наружный диаметр, D (мм) 125
Ширина, В (мм) 22
Масса, m (кг) 1
Грузоподъемность динамическая, C (kN) 56
Грузоподъемность статическая, Co (kN) 40.1
Ном. частота вращен. при пластич. смазке, n grease (1/min) 5300
Марка стали, Материал ШХ-15
Диаметр шарика, d шарика (мм) 13.494
Количество шариков, N шариков 20
Ном. частота вращен. при жидк. смазке, n oil (1/min) 7000
Диаметр борта наружного кольца, D1(mm) 111.5
Диаметр борта внутреннего кольца, d1 (mm) 95.3
Радиус фаски, r2, r3 min (мм) 0.6
Радиус фаски, r, r1 min (мм) 1.1
46116 ЛУ ГОСТ 520

Этот подшипник может быть заменен другими:

Подшипник 246116 — У3, "У4" и т.д. - комплект из двух и более упорных подшипников

Подшипник 346116 — У3, "У4" и т.д. - комплект из двух и более упорных подшипников

Подшипник 446116 — У3, "У4" и т.д. - комплект из двух и более упорных подшипников

Бренд Обозначение
ГПЗ 46116
SKF 7016ACD
FAG 7016E
NSK 7016A
Товар добавлен в корзину
Перейти в корзину ×