Подшипники гост
Интернет-магазин
8-800-250-16-58
Обратный звонок

Заказ обратного звонка




Эл. почта:
info@amost.ru
Свои заказы Корзина пуста





Получать прайс-лист на email:

Чтобы отписаться от рассылки, введите e-mail, на который вы получаете наши письма:

Главная » Каталог » Подшипники по ГОСТ » 42927 ГМ ТУ ВНИПП.051
 

Поиск подшипников

Масса и размеры

Внутренний диаметр d, мм

От  до 

Наружный диаметр D, мм

От  до 

Ширина b, мм

Применяемость

Раздел каталога

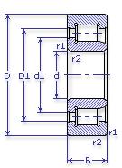
Подшипник роликовый радиальный с короткими цилиндрическими роликами однорядный с бортами на наружном кольце и с однобортовым внутренним кольцом

42927 ГМ ТУ ВНИПП.051

Отечественный
Импортный

Производитель



уточнять наличие
Обозначение 42927 ГМ ТУ ВНИПП.051
Внутренний диаметр, d (мм) 135
Наружный диаметр, D (мм) 280
Ширина, В (мм) 13
Масса, m (кг) 28.7
Грузоподъемность динамическая, C (kN) 1020
Грузоподъемность статическая, Co (kN) 840
Ном. частота вращен. при пластич. смазке, n grease (1/min) 1800
Марка стали, Материал ШХ-15
Ном. частота вращен. при жидк. смазке, n oil (1/min) 2400
Размеры ролика, dxl (мм) 36х58
Количество роликов, N роликов 13
42927 ГМ ТУ ВНИПП.051
Товар добавлен в корзину
Перейти в корзину ×