Подшипники гост
Интернет-магазин
8-800-250-16-58
Обратный звонок

Заказ обратного звонка




Эл. почта:
info@amost.ru
Свои заказы Корзина пуста





Получать прайс-лист на email:

Чтобы отписаться от рассылки, введите e-mail, на который вы получаете наши письма:

 

Поиск подшипников

Масса и размеры

Внутренний диаметр d, мм

От  до 

Наружный диаметр D, мм

От  до 

Ширина b, мм

Применяемость

Раздел каталога

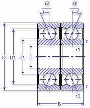
Подшипник шариковый радиально-упорный однорядный сдвоенный схема комплектования Х замок на наружном кольце

346108 Л ГОСТ 520

Отечественный
Импортный

Производитель



уточнять наличие
Обозначение 346108 Л ГОСТ 520
Внутренний диаметр, d (мм) 40
Наружный диаметр, D (мм) 68
Ширина, В (мм) 30
Масса, m (кг) 0.44
Грузоподъемность динамическая, C (kN) 30.6
Грузоподъемность статическая, Co (kN) 22
Ном. частота вращен. при пластич. смазке, n grease (1/min) 9200
Марка стали, Материал ШХ-15
Ном. частота вращен. при жидк. смазке, n oil (1/min) 16900
Диаметр борта наружного кольца, D1(mm) 58.3
Диаметр борта внутреннего кольца, d1 (mm) 49.7
Радиус фаски, r, r1 min (мм) 1
346108 Л ГОСТ 520
Бренд Обозначение
ГПЗ 346108
SKF 7008 ACD/DF
FAG 7008EDU
NSK 7008ADF
Товар добавлен в корзину
Перейти в корзину ×