Подшипники гост
Интернет-магазин
8-800-250-16-58
Обратный звонок

Заказ обратного звонка




Эл. почта:
info@amost.ru
Свои заказы Корзина пуста





Получать прайс-лист на email:

Чтобы отписаться от рассылки, введите e-mail, на который вы получаете наши письма:

 

Поиск подшипников

Масса и размеры

Внутренний диаметр d, мм

От  до 

Наружный диаметр D, мм

От  до 

Ширина b, мм

Применяемость

Раздел каталога

Подшипник шариковый радиальный однорядный основного конструктивного исполнения

236 АЛ ТУ 37.006.170

Отечественный
Импортный

Производитель



уточнять наличие
Обозначение 236 АЛ ТУ 37.006.170
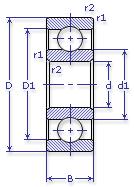
Внутренний диаметр, d (мм) 180
Наружный диаметр, D (мм) 320
Ширина, В (мм) 52
Масса, m (кг) 18.5
Грузоподъемность динамическая, C (kN) 230
Грузоподъемность статическая, Co (kN) 200
Ном. частота вращен. при пластич. смазке, n grease (1/min) 1700
Марка стали, Материал ШХ-15
Диаметр шарика, d шарика (мм) 38.1
Количество шариков, N шариков 11
Ном. частота вращен. при жидк. смазке, n oil (1/min) 2000
236 АЛ ТУ 37.006.170
Марка Модель Узел Кол-во на узел
Станкостроение Не указано Не указано -
Трактор Т 330 Передача бортовая 1
Трактор Т 330Г Передача бортовая 1
Бренд Обозначение
ГПЗ 236
SKF 6236
FAG 6236
NSK 6236
Товар добавлен в корзину
Перейти в корзину ×