Подшипники гост
Интернет-магазин
8-800-250-16-58
Обратный звонок

Заказ обратного звонка




Эл. почта:
info@amost.ru
Свои заказы Корзина пуста





Получать прайс-лист на email:

Чтобы отписаться от рассылки, введите e-mail, на который вы получаете наши письма:

 

Поиск подшипников

Масса и размеры

Внутренний диаметр d, мм

От  до 

Наружный диаметр D, мм

От  до 

Ширина b, мм

Применяемость

Раздел каталога

Подшипник шариковый радиальный однорядный основного конструктивного исполнения

236 Л ТУ 37.006.153

Отечественный
Импортный

Производитель



уточнять наличие
Обозначение 236 Л ТУ 37.006.153
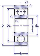
Внутренний диаметр, d (мм) 180
Наружный диаметр, D (мм) 320
Ширина, В (мм) 52
Масса, m (кг) 18.5
Грузоподъемность динамическая, C (kN) 230
Грузоподъемность статическая, Co (kN) 200
Ном. частота вращен. при пластич. смазке, n grease (1/min) 1700
Марка стали, Материал ШХ-15
Диаметр шарика, d шарика (мм) 38.1
Количество шариков, N шариков 11
Ном. частота вращен. при жидк. смазке, n oil (1/min) 2000
236 Л ТУ 37.006.153
Марка Модель Узел Кол-во на узел
Станкостроение Не указано Не указано -
Трактор Т 330 Передача бортовая 1
Трактор Т 330Г Передача бортовая 1
Бренд Обозначение
ГПЗ 236
SKF 6236
FAG 6236
NSK 6236
Товар добавлен в корзину
Перейти в корзину ×