Подшипники гост
Интернет-магазин
8-800-250-16-58
Обратный звонок

Заказ обратного звонка




Эл. почта:
info@amost.ru
Свои заказы Корзина пуста





Получать прайс-лист на email:

Чтобы отписаться от рассылки, введите e-mail, на который вы получаете наши письма:

 

Поиск подшипников

Масса и размеры

Внутренний диаметр d, мм

От  до 

Наружный диаметр D, мм

От  до 

Ширина b, мм

Применяемость

Раздел каталога

Подшипник шариковый радиальный однорядный основного конструктивного исполнения

128 ГОСТ 520

Отечественный
Импортный

Производитель



уточнять наличие
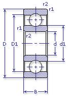
Обозначение 128 ГОСТ 520
Внутренний диаметр, d (мм) 140
Наружный диаметр, D (мм) 210
Ширина, В (мм) 33
Масса, m (кг) 3.63
Грузоподъемность динамическая, C (kN) 111
Грузоподъемность статическая, Co (kN) 83
Ном. частота вращен. при пластич. смазке, n grease (1/min) 3000
Марка стали, Материал ШХ-15
Диаметр шарика, d шарика (мм) 20.638
Количество шариков, N шариков 15
Ном. частота вращен. при жидк. смазке, n oil (1/min) 3600
128 ГОСТ 520
Марка Модель Узел Кол-во на узел
Трактор Т 330 Механизм реверса 2
Трактор Т 330Г Механизм реверса 2
Бренд Обозначение
ГПЗ 128
SKF 6028
FAG 6028
NSK 6028
Товар добавлен в корзину
Перейти в корзину ×