Подшипники гост
Интернет-магазин
8-800-250-16-58
Обратный звонок

Заказ обратного звонка




Эл. почта:
info@amost.ru
Свои заказы Корзина пуста





Получать прайс-лист на email:

Чтобы отписаться от рассылки, введите e-mail, на который вы получаете наши письма:

 

Поиск подшипников

Масса и размеры

Внутренний диаметр d, мм

От  до 

Наружный диаметр D, мм

От  до 

Ширина b, мм

Применяемость

Раздел каталога

Подшипник шариковый радиальный однорядный основного конструктивного исполнения

226 Л ТУ 37.006.087

Отечественный
Импортный

Производитель



уточнять наличие
Обозначение 226 Л ТУ 37.006.087
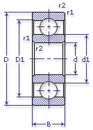
Внутренний диаметр, d (мм) 130
Наружный диаметр, D (мм) 230
Ширина, В (мм) 40
Масса, m (кг) 5,58
Грузоподъемность динамическая, C (kN) 166
Грузоподъемность статическая, Co (kN) 125
Ном. частота вращен. при пластич. смазке, n grease (1/min) 2600
Диаметр шарика, d шарика (мм) 28.575
Количество шариков, N шариков 11
Ном. частота вращен. при жидк. смазке, n oil (1/min) 3200
Диаметр борта наружного кольца, D1(mm) 198.2
Диаметр борта внутреннего кольца, d1 (mm) 163.5
Радиус фаски, r1, r2 min (мм) 3
226 Л ТУ 37.006.087
Марка Модель Узел Кол-во на узел
Трактор ДТ-75 Мост задний: шестерня коронная механизма планетарного 2
Трактор ДТ-75МВ Мост задний: шестерня коронная механизма планетарного 2
Трактор Т-75 с двигателем СМД-14Г Мост задний: шестерня коронная механизма планетарного -
Трактор Т-75МВ с двигателем А-41 Мост задний: шестерня коронная механизма планетарного -
Бренд Обозначение
ГПЗ 226
SKF 6226
FAG 6226
NSK 6226
Товар добавлен в корзину
Перейти в корзину ×