Подшипники гост
Интернет-магазин
8-800-250-16-58
Обратный звонок

Заказ обратного звонка




Эл. почта:
info@amost.ru
Свои заказы Корзина пуста





Получать прайс-лист на email:

Чтобы отписаться от рассылки, введите e-mail, на который вы получаете наши письма:

 

Поиск подшипников

Масса и размеры

Внутренний диаметр d, мм

От  до 

Наружный диаметр D, мм

От  до 

Ширина b, мм

Применяемость

Раздел каталога

Подшипник шариковый радиальный однорядный основного конструктивного исполнения

226 Е1 ГОСТ 520

Отечественный
Импортный

Производитель



уточнять наличие
Обозначение 226 Е1 ГОСТ 520
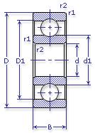
Внутренний диаметр, d (мм) 130
Наружный диаметр, D (мм) 230
Ширина, В (мм) 40
Масса, m (кг) 5,58
Грузоподъемность динамическая, C (kN) 166
Грузоподъемность статическая, Co (kN) 125
Ном. частота вращен. при пластич. смазке, n grease (1/min) 2600
Диаметр шарика, d шарика (мм) 28.575
Количество шариков, N шариков 11
Ном. частота вращен. при жидк. смазке, n oil (1/min) 3200
Диаметр борта наружного кольца, D1(mm) 198.2
Диаметр борта внутреннего кольца, d1 (mm) 163.5
Радиус фаски, r1, r2 min (мм) 3
226 Е1 ГОСТ 520
Марка Модель Узел Кол-во на узел
Трактор ДТ-75 Мост задний: шестерня коронная механизма планетарного 2
Трактор ДТ-75МВ Мост задний: шестерня коронная механизма планетарного 2
Трактор Т-75 с двигателем СМД-14Г Мост задний: шестерня коронная механизма планетарного -
Трактор Т-75МВ с двигателем А-41 Мост задний: шестерня коронная механизма планетарного -
Бренд Обозначение
ГПЗ 226
SKF 6226
FAG 6226
NSK 6226
Товар добавлен в корзину
Перейти в корзину ×