Подшипники гост
Интернет-магазин
8-800-250-16-58
Обратный звонок

Заказ обратного звонка




Эл. почта:
info@amost.ru
Свои заказы Корзина пуста





Получать прайс-лист на email:

Чтобы отписаться от рассылки, введите e-mail, на который вы получаете наши письма:

 

Поиск подшипников

Масса и размеры

Внутренний диаметр d, мм

От  до 

Наружный диаметр D, мм

От  до 

Ширина b, мм

Применяемость

Раздел каталога

Подшипник шариковый радиальный однорядный основного конструктивного исполнения

222 Л ТУ 37.006.087

Отечественный
Импортный

Производитель



уточнять наличие
Обозначение 222 Л ТУ 37.006.087
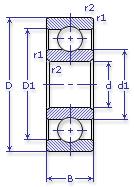
Внутренний диаметр, d (мм) 110
Наружный диаметр, D (мм) 200
Ширина, В (мм) 38
Масса, m (кг) 4.42
Грузоподъемность динамическая, C (kN) 146
Грузоподъемность статическая, Co (kN) 105
Ном. частота вращен. при пластич. смазке, n grease (1/min) 3000
Марка стали, Материал ШХ-15
Диаметр шарика, d шарика (мм) 28.575
Количество шариков, N шариков 10
Ном. частота вращен. при жидк. смазке, n oil (1/min) 3600
Диаметр борта наружного кольца, D1(mm) 172.1
Диаметр борта внутреннего кольца, d1 (mm) 137.9
Радиус фаски, r1, r2 min (мм) 2.1
222 Л ТУ 37.006.087

Этот подшипник может быть заменен другими:

Подшипник 80222 — При условии демонтажа 2-х защитных шайб

Марка Модель Узел Кол-во на узел
ЛиАЗ 677 Ступица колес 2
ЛиАЗ 677Б Ступица колес 2
ЛиАЗ 677В Ступица колес 2
ЛиАЗ 677М Ступица колес 2
ЛиАЗ 677П Ступица колес 2
Трактор ЛХТ-55 Передача бортовая -
Трактор Т 330 Коробка передач с механизмами реверса 3
Трактор Т 330Г Коробка передач с механизмами реверса 3
Трактор Т-11.01.01Я Лебедка 1
Трактор Т-11.01.01ЯМ Лебедка 1
Трактор Т-11.01.01ЯМП Лебедка 1
Трактор Т-25.01Я Редуктор привода насосов 1
Трактор Т-35.01 ЯБЛ Редуктор привода насосов 1
Трактор Т-35.01Я Редуктор привода насосов 1
Трактор ТДТ-55 Передача бортовая -
Трактор ТМ-25.01Я Редуктор привода насосов 1
Трактор ТТ-4М Передача конечная: вал ведомый -
Трактор ТТ-4М-01 Передача конечная: вал ведомый -
Трамвайный вагон Т-2 Пара колесная 12
Трамвайный вагон Т-3 Пара колесная 12
Бренд Обозначение
ГПЗ 222
SKF 6222
FAG 6222
NSK 6222
Товар добавлен в корзину
Перейти в корзину ×