Подшипники гост
Интернет-магазин
8-800-250-16-58
Обратный звонок

Заказ обратного звонка




Эл. почта:
info@amost.ru
Свои заказы Корзина пуста





Получать прайс-лист на email:

Чтобы отписаться от рассылки, введите e-mail, на который вы получаете наши письма:

 

Поиск подшипников

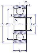
Масса и размеры

Внутренний диаметр d, мм

От  до 

Наружный диаметр D, мм

От  до 

Ширина b, мм

Применяемость

Раздел каталога

Подшипник шариковый радиальный однорядный основного конструктивного исполнения

221 А ТУ 37.006.087

Отечественный
Импортный

Производитель



уточнять наличие
Обозначение 221 А ТУ 37.006.087
Внутренний диаметр, d (мм) 105
Наружный диаметр, D (мм) 190
Ширина, В (мм) 36
Масса, m (кг) 3.63
Грузоподъемность динамическая, C (kN) 133
Грузоподъемность статическая, Co (kN) 95
Ном. частота вращен. при пластич. смазке, n grease (1/min) 3200
Марка стали, Материал ШХ-15
Диаметр шарика, d шарика (мм) 26.988
Количество шариков, N шариков 10
Ном. частота вращен. при жидк. смазке, n oil (1/min) 3800
221 А ТУ 37.006.087

Этот подшипник может быть заменен другими:

Подшипник 80221 — При условии демонтажа 2-х защитных шайб

Марка Модель Узел Кол-во на узел
Трамвайный вагон РВ3-6М2 Пара колесная 4
Бренд Обозначение
ГПЗ 221
SKF 6221
FAG 6221
NSK 6221
Товар добавлен в корзину
Перейти в корзину ×