Подшипники гост
Интернет-магазин
8-800-250-16-58
Обратный звонок

Заказ обратного звонка




Эл. почта:
info@amost.ru
Свои заказы Корзина пуста





Получать прайс-лист на email:

Чтобы отписаться от рассылки, введите e-mail, на который вы получаете наши письма:

 

Поиск подшипников

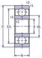
Масса и размеры

Внутренний диаметр d, мм

От  до 

Наружный диаметр D, мм

От  до 

Ширина b, мм

Применяемость

Раздел каталога

Подшипник шариковый радиальный однорядный основного конструктивного исполнения

196 Л ГОСТ 520

Отечественный
Импортный

Производитель



уточнять наличие
Обозначение 196 Л ГОСТ 520
Внутренний диаметр, d (мм) 480
Наружный диаметр, D (мм) 700
Ширина, b (мм) 135.7
196 Л ГОСТ 520
Бренд Обозначение
ГПЗ 196
SKF 6096
FAG 6096
NSK 6096
Товар добавлен в корзину
Перейти в корзину ×