Подшипники гост
Интернет-магазин
8-800-250-16-58
Обратный звонок

Заказ обратного звонка




Эл. почта:
info@amost.ru
Свои заказы Корзина пуста





Получать прайс-лист на email:

Чтобы отписаться от рассылки, введите e-mail, на который вы получаете наши письма:

 

Поиск подшипников

Масса и размеры

Внутренний диаметр d, мм

От  до 

Наружный диаметр D, мм

От  до 

Ширина b, мм

Применяемость

Раздел каталога

Подшипник шариковый радиальный однорядный основного конструктивного исполнения

122 ГОСТ 520

Отечественный
Импортный

Производитель



уточнять наличие
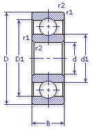
Обозначение 122 ГОСТ 520
Внутренний диаметр, d (мм) 110
Наружный диаметр, D (мм) 170
Ширина, В (мм) 28
Масса, m (кг) 1.94
Грузоподъемность динамическая, C (kN) 81.9
Грузоподъемность статическая, Co (kN) 57
Ном. частота вращен. при пластич. смазке, n grease (1/min) 38000
Марка стали, Материал ШХ-15
Диаметр шарика, d шарика (мм) 18.256
Количество шариков, N шариков 15
Ном. частота вращен. при жидк. смазке, n oil (1/min) 4500
122 ГОСТ 520

Этот подшипник может быть заменен другими:

Подшипник 80122 — При условии демонтажа 2-х защитных шайб

Подшипник 180122 — При условии демонтажа 2-х защитных шайб

Марка Модель Узел Кол-во на узел
Пневматический сортировальный стол ПСС-2.5 Виброприбор -
Трактор К-701 Мост ведущий 2
Трактор Т 330 Фрикцион бортовой 4
Трактор Т 330Г Фрикцион бортовой 4
Трактор Т-25.01Я Редуктор привода насосов 4
Трактор Т-35.01 ЯБЛ Редуктор привода насосов 4
Трактор Т-35.01Я Редуктор привода насосов 4
Трактор ТМ-25.01Я Редуктор привода насосов 4
Трамвайный вагон КТМ-5М3 Ось пары коллекторной 8
Бренд Обозначение
ГПЗ 122
SKF 6022
FAG 6022
NSK 6022
Товар добавлен в корзину
Перейти в корзину ×