Подшипники гост
Интернет-магазин
8-800-250-16-58
Обратный звонок

Заказ обратного звонка




Эл. почта:
info@amost.ru
Свои заказы Корзина пуста





Получать прайс-лист на email:

Чтобы отписаться от рассылки, введите e-mail, на который вы получаете наши письма:

 

Поиск подшипников

Масса и размеры

Внутренний диаметр d, мм

От  до 

Наружный диаметр D, мм

От  до 

Ширина b, мм

Применяемость

Раздел каталога

Подшипник шариковый радиальный однорядный основного конструктивного исполнения

164 Л ГОСТ 520

Отечественный
Импортный

Производитель



уточнять наличие
Обозначение 164 Л ГОСТ 520
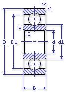
Внутренний диаметр, d (мм) 320
Наружный диаметр, D (мм) 480
Ширина, В (мм) 74
Масса, m (кг) 47.3
Грузоподъемность динамическая, C (kN) 371
Грузоподъемность статическая, Co (kN) 415
Ном. частота вращен. при пластич. смазке, n grease (1/min) 1100
Марка стали, Материал ШХ-15
Диаметр шарика, d шарика (мм) 44.45
Количество шариков, N шариков 16
Ном. частота вращен. при жидк. смазке, n oil (1/min) 1400
164 Л ГОСТ 520
Бренд Обозначение
ГПЗ 164
SKF 6064
FAG 6064
NSK 6064
Товар добавлен в корзину
Перейти в корзину ×