Подшипники гост
Интернет-магазин
8-800-250-16-58
Обратный звонок

Заказ обратного звонка




Эл. почта:
info@amost.ru
Свои заказы Корзина пуста





Получать прайс-лист на email:

Чтобы отписаться от рассылки, введите e-mail, на который вы получаете наши письма:

 

Поиск подшипников

Масса и размеры

Внутренний диаметр d, мм

От  до 

Наружный диаметр D, мм

От  до 

Ширина b, мм

Применяемость

Раздел каталога

Подшипник шариковый радиальный однорядный основного конструктивного исполнения

136 ЛW3 ГОСТ 520

Отечественный
Импортный

Производитель



уточнять наличие
Обозначение 136 ЛW3 ГОСТ 520
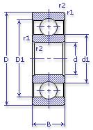
Внутренний диаметр, d (мм) 180
Наружный диаметр, D (мм) 280
Ширина, В (мм) 46
Масса, m (кг) 11.1
Грузоподъемность динамическая, C (kN) 190
Грузоподъемность статическая, Co (kN) 156
Ном. частота вращен. при пластич. смазке, n grease (1/min) 2000
Марка стали, Материал ШХ-15
Диаметр шарика, d шарика (мм) 30.162
Количество шариков, N шариков 14
Ном. частота вращен. при жидк. смазке, n oil (1/min) 2600
136 ЛW3 ГОСТ 520
Бренд Обозначение
ГПЗ 136
SKF 6036
FAG 6036
NSK 6036
Товар добавлен в корзину
Перейти в корзину ×