Подшипники гост
Интернет-магазин
8-800-250-16-58
Обратный звонок

Заказ обратного звонка




Эл. почта:
info@amost.ru
Свои заказы Корзина пуста





Получать прайс-лист на email:

Чтобы отписаться от рассылки, введите e-mail, на который вы получаете наши письма:

 

Поиск подшипников

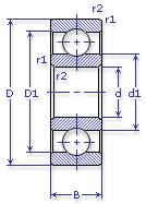
Масса и размеры

Внутренний диаметр d, мм

От  до 

Наружный диаметр D, мм

От  до 

Ширина b, мм

Применяемость

Раздел каталога

Подшипник шариковый радиальный однорядный основного конструктивного исполнения

124 А ТУ 003

Отечественный
Импортный

Производитель



уточнять наличие
Обозначение 124 А ТУ 003
Внутренний диаметр, d (мм) 120
Наружный диаметр, D (мм) 180
Ширина, В (мм) 28
Масса, m (кг) 2.19
Грузоподъемность динамическая, C (kN) 85
Грузоподъемность статическая, Co (kN) 61
Ном. частота вращен. при пластич. смазке, n grease (1/min) 3400
Марка стали, Материал ШХ-15
Диаметр шарика, d шарика (мм) 18.256
Количество шариков, N шариков 15
Ном. частота вращен. при жидк. смазке, n oil (1/min) 4000
124 А ТУ 003

Этот подшипник может быть заменен другими:

Подшипник 80124 — При условии демонтажа 2-х защитных шайб

Подшипник 180124 — При условии демонтажа 2-х защитных шайб

Марка Модель Узел Кол-во на узел
БелАЗ 549(75т) Двигатель 2
БелАЗ 7509 Двигатель 2
БелАЗ 75091(75т) Двигатель 2
МоАЗ 6507 Коробка передач гидромеханическая 2
Трактор Т-35.01 ЯБЛ Фрикцион бортовой и тормоз остановочный 1
Трактор Т-35.01Я Фрикцион бортовой и тормоз остановочный 1
Бренд Обозначение
ГПЗ 124
SKF 6024
FAG 6024
NSK 6024
Товар добавлен в корзину
Перейти в корзину ×