Подшипники гост
Интернет-магазин
8-800-250-16-58
Обратный звонок

Заказ обратного звонка




Эл. почта:
info@amost.ru
Свои заказы Корзина пуста





Получать прайс-лист на email:

Чтобы отписаться от рассылки, введите e-mail, на который вы получаете наши письма:

 

Поиск подшипников

Масса и размеры

Внутренний диаметр d, мм

От  до 

Наружный диаметр D, мм

От  до 

Ширина b, мм

Применяемость

Раздел каталога

Подшипник шариковый радиальный однорядный основного конструктивного исполнения

122 А ТУ 003

Отечественный
Импортный

Производитель



уточнять наличие
Обозначение 122 А ТУ 003
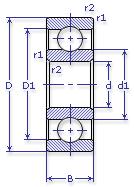
Внутренний диаметр, d (мм) 110
Наружный диаметр, D (мм) 170
Ширина, В (мм) 28
Масса, m (кг) 1.94
Грузоподъемность динамическая, C (kN) 81.9
Грузоподъемность статическая, Co (kN) 57
Ном. частота вращен. при пластич. смазке, n grease (1/min) 38000
Марка стали, Материал ШХ-15
Диаметр шарика, d шарика (мм) 18.256
Количество шариков, N шариков 15
Ном. частота вращен. при жидк. смазке, n oil (1/min) 4500
122 А ТУ 003

Этот подшипник может быть заменен другими:

Подшипник 80122 — При условии демонтажа 2-х защитных шайб

Подшипник 180122 — При условии демонтажа 2-х защитных шайб

Марка Модель Узел Кол-во на узел
Пневматический сортировальный стол ПСС-2.5 Виброприбор -
Трактор К-701 Мост ведущий 2
Трактор Т 330 Фрикцион бортовой 4
Трактор Т 330Г Фрикцион бортовой 4
Трактор Т-25.01Я Редуктор привода насосов 4
Трактор Т-35.01 ЯБЛ Редуктор привода насосов 4
Трактор Т-35.01Я Редуктор привода насосов 4
Трактор ТМ-25.01Я Редуктор привода насосов 4
Трамвайный вагон КТМ-5М3 Ось пары коллекторной 8
Бренд Обозначение
ГПЗ 122
SKF 6022
FAG 6022
NSK 6022
Товар добавлен в корзину
Перейти в корзину ×