Подшипники гост
Интернет-магазин
8-800-250-16-58
Обратный звонок

Заказ обратного звонка




Эл. почта:
info@amost.ru
Свои заказы Корзина пуста





Получать прайс-лист на email:

Чтобы отписаться от рассылки, введите e-mail, на который вы получаете наши письма:

 

Поиск подшипников

Масса и размеры

Внутренний диаметр d, мм

От  до 

Наружный диаметр D, мм

От  до 

Ширина b, мм

Применяемость

Раздел каталога

Подшипник шариковый радиальный однорядный основного конструктивного исполнения

202 А ГОСТ 520

Отечественный
Импортный
Цена: 20.00 руб

Производитель



под заказ
Обозначение 202 А ГОСТ 520
Цена импортная 17
Новинки N
Хиты продаж N
Скидки N
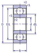
Внутренний диаметр, d (мм) 15
Наружный диаметр, D (мм) 35
Ширина, В (мм) 11
Масса, m (кг) 0.046
Грузоподъемность динамическая, C (kN) 7.8
Грузоподъемность статическая, Co (kN) 3.55
Ном. частота вращен. при пластич. смазке, n grease (1/min) 19000
Диаметр шарика, d шарика (мм) 5.953
Количество шариков, N шариков 8
Ном. частота вращен. при жидк. смазке, n oil (1/min) 24000
Диаметр борта наружного кольца, D1(mm) 29.2
Диаметр борта внутреннего кольца, d1 (mm) 21.2
Радиус фаски, r1, r2 min (мм) 0.6
202 А ГОСТ 520

Этот подшипник может быть заменен другими:

Подшипник 50202 — Условие отсутствует

Подшипник 60202 — При условии демонтажа одной защитной шайбы

Подшипник 160202 — При условии демонтажа одной защитной шайбы

Подшипник 150202 — При условии демонтажа одной защитной шайбы (п/ш с канавкой)

Подшипник 80202 — При условии демонтажа 2-х защитных шайб

Подшипник 180202 — При условии демонтажа 2-х защитных шайб

Подшипник 450202 — При условии демонтажа 2-х защитных шайб

Бренд Обозначение
ГПЗ 202
SKF 6202
FAG 6202
NSK 6202
Товар добавлен в корзину
Перейти в корзину ×