Подшипники гост
Интернет-магазин
8-800-250-16-58
Обратный звонок

Заказ обратного звонка




Эл. почта:
info@amost.ru
Свои заказы Корзина пуста





Получать прайс-лист на email:

Чтобы отписаться от рассылки, введите e-mail, на который вы получаете наши письма:

 

Поиск подшипников

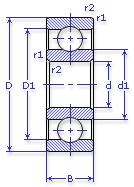
Масса и размеры

Внутренний диаметр d, мм

От  до 

Наружный диаметр D, мм

От  до 

Ширина b, мм

Применяемость

Раздел каталога

Подшипник шариковый упорный двойной с тремя кольцами

387/940 К1 ТУ 37.006.082

Отечественный
Импортный

Производитель



уточнять наличие
387/940 К1 ТУ 37.006.082
Товар добавлен в корзину
Перейти в корзину ×