Подшипники гост
Интернет-магазин
8-800-250-16-58
Обратный звонок

Заказ обратного звонка




Эл. почта:
info@amost.ru
Свои заказы Корзина пуста





Получать прайс-лист на email:

Чтобы отписаться от рассылки, введите e-mail, на который вы получаете наши письма:

 

Поиск подшипников

Масса и размеры

Внутренний диаметр d, мм

От  до 

Наружный диаметр D, мм

От  до 

Ширина b, мм

Применяемость

Раздел каталога

Подшипник шариковый радиальный однорядный основного конструктивного исполнения

903 Е ТУ 37.006.170

Отечественный
Импортный

Производитель



уточнять наличие
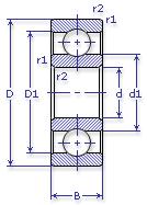
Обозначение 903 Е ТУ 37.006.170
Внутренний диаметр, d (мм) 17.7
Наружный диаметр, D (мм) 35
Ширина, В (мм) 8
Масса, m (кг) 0.029
Грузоподъемность динамическая, C (kN) 4.65
Грузоподъемность статическая, Co (kN) 2.8
Ном. частота вращен. при пластич. смазке, n grease (1/min) 16900
Марка стали, Материал ШХ-15
Диаметр шарика, d шарика (мм) 4.763
Количество шариков, N шариков 10
Ном. частота вращен. при жидк. смазке, n oil (1/min) 20650
Диаметр борта наружного кольца, D1(mm) 29.5
Диаметр борта внутреннего кольца, d1 (mm) 23.2
Радиус фаски, r1, r2 min (мм) 0.3
903 Е ТУ 37.006.170
Марка Модель Узел Кол-во на узел
ВАЗ 1111 Ока Управление рулевое: опора шестерни 1
Подшипники ГАЗ 2108 Управление рулевое: опора шестерни 1
Подшипники ГАЗ 2109 Управление рулевое: опора шестерни 1
Подшипники ГАЗ 2110 Управление рулевое: шестерня 1
Подшипники ГАЗ 2111 Управление рулевое: шестерня 1
Подшипники ГАЗ 2112 Управление рулевое: опора шестерни 1
Подшипники ГАЗ 2112 Управление рулевое: шестерня 1
Подшипники ГАЗ 2115 Управление рулевое: шестерня -
Бренд Обозначение
ГПЗ 903
SKF 16003
Товар добавлен в корзину
Перейти в корзину ×