Подшипники гост
Интернет-магазин
8-800-250-16-58
Обратный звонок

Заказ обратного звонка




Эл. почта:
info@amost.ru
Свои заказы Корзина пуста





Получать прайс-лист на email:

Чтобы отписаться от рассылки, введите e-mail, на который вы получаете наши письма:

 

Поиск подшипников

Масса и размеры

Внутренний диаметр d, мм

От  до 

Наружный диаметр D, мм

От  до 

Ширина b, мм

Применяемость

Раздел каталога

Подшипник шариковый радиальный однорядный основного конструктивного исполнения

824 ГОСТ 520

Отечественный
Импортный

Производитель



уточнять наличие
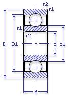
Обозначение 824 ГОСТ 520
Внутренний диаметр, d (мм) 120
Наружный диаметр, D (мм) 160
Ширина, В (мм) 24
Масса, m (кг) 0.8900
Грузоподъемность динамическая, C (kN) 77
Грузоподъемность статическая, Co (kN) 70.6
Ном. частота вращен. при пластич. смазке, n grease (1/min) 3600
Марка стали, Материал ШХ-15
Диаметр шарика, d шарика (мм) 14.288
Ном. частота вращен. при жидк. смазке, n oil (1/min) 4300
824 ГОСТ 520
Товар добавлен в корзину
Перейти в корзину ×