Подшипники гост
Интернет-магазин
8-800-250-16-58
Обратный звонок

Заказ обратного звонка




Эл. почта:
info@amost.ru
Свои заказы Корзина пуста





Получать прайс-лист на email:

Чтобы отписаться от рассылки, введите e-mail, на который вы получаете наши письма:

 

Поиск подшипников

Масса и размеры

Внутренний диаметр d, мм

От  до 

Наружный диаметр D, мм

От  до 

Ширина b, мм

Применяемость

Раздел каталога

Подшипник шариковый радиальный однорядный основного конструктивного исполнения

818 ГОСТ 520

Отечественный
Импортный

Производитель



уточнять наличие
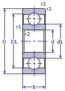
Обозначение 818 ГОСТ 520
Внутренний диаметр, d (мм) 90
Наружный диаметр, D (мм) 120
Ширина, В (мм) 18
Масса, m (кг) 0.3800
Грузоподъемность динамическая, C (kN) 19.4
Грузоподъемность статическая, Co (kN) 20.2
Ном. частота вращен. при пластич. смазке, n grease (1/min) 5000
Марка стали, Материал ШХ-15
Диаметр шарика, d шарика (мм) 11.112
Количество шариков, N шариков 23
Ном. частота вращен. при жидк. смазке, n oil (1/min) 6000
818 ГОСТ 520
Товар добавлен в корзину
Перейти в корзину ×