Подшипники гост
Интернет-магазин
8-800-250-16-58
Обратный звонок

Заказ обратного звонка




Эл. почта:
info@amost.ru
Свои заказы Корзина пуста





Получать прайс-лист на email:

Чтобы отписаться от рассылки, введите e-mail, на который вы получаете наши письма:

 

Поиск подшипников

Масса и размеры

Внутренний диаметр d, мм

От  до 

Наружный диаметр D, мм

От  до 

Ширина b, мм

Применяемость

Раздел каталога

Подшипник шариковый радиальный однорядный основного конструктивного исполнения

808 ГОСТ 520

Отечественный
Импортный

Производитель



уточнять наличие
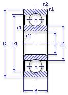
Обозначение 808 ГОСТ 520
Внутренний диаметр, d (мм) 40
Наружный диаметр, D (мм) 52
Ширина, В (мм) 8
Масса, m (кг) 0.0274
Грузоподъемность динамическая, C (kN) 8.6
Грузоподъемность статическая, Co (kN) 7.6
Ном. частота вращен. при пластич. смазке, n grease (1/min) 11000
Марка стали, Материал ШХ-15
Диаметр шарика, d шарика (мм) 4.5
Количество шариков, N шариков 23
Ном. частота вращен. при жидк. смазке, n oil (1/min) 14000
808 ГОСТ 520
Товар добавлен в корзину
Перейти в корзину ×