Подшипники гост
Интернет-магазин
8-800-250-16-58
Обратный звонок

Заказ обратного звонка




Эл. почта:
info@amost.ru
Свои заказы Корзина пуста





Получать прайс-лист на email:

Чтобы отписаться от рассылки, введите e-mail, на который вы получаете наши письма:

 

Поиск подшипников

Масса и размеры

Внутренний диаметр d, мм

От  до 

Наружный диаметр D, мм

От  до 

Ширина b, мм

Применяемость

Раздел каталога

Подшипник шариковый радиальный однорядный основного конструктивного исполнения

733 ЛТ ГОСТ 520

Отечественный
Импортный

Производитель



уточнять наличие
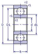
Обозначение 733 ЛТ ГОСТ 520
Внутренний диаметр, d (мм) 165
Наружный диаметр, D (мм) 250.5
Ширина, В (мм) 35
Масса, m (кг) 6.43
Грузоподъемность динамическая, C (kN) 110
Грузоподъемность статическая, Co (kN) 80
Ном. частота вращен. при пластич. смазке, n grease (1/min) 2000
Марка стали, Материал ШХ-15
Диаметр шарика, d шарика (мм) 25.4
Количество шариков, N шариков 14
Ном. частота вращен. при жидк. смазке, n oil (1/min) 2600
733 ЛТ ГОСТ 520
Товар добавлен в корзину
Перейти в корзину ×