Подшипники гост
Интернет-магазин
8-800-250-16-58
Обратный звонок

Заказ обратного звонка




Эл. почта:
info@amost.ru
Свои заказы Корзина пуста





Получать прайс-лист на email:

Чтобы отписаться от рассылки, введите e-mail, на который вы получаете наши письма:

 

Поиск подшипников

Масса и размеры

Внутренний диаметр d, мм

От  до 

Наружный диаметр D, мм

От  до 

Ширина b, мм

Применяемость

Раздел каталога

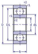
Подшипник шариковый радиальный однорядный

7000118 АШ ГОСТ 520

Отечественный
Импортный

Производитель



уточнять наличие
Обозначение 7000118 АШ ГОСТ 520
Внутренний диаметр, d (мм) 90
Наружный диаметр, D (мм) 140
Ширина, В (мм) 16
Масса, m (кг) 0.8500
Грузоподъемность динамическая, C (kN) 42
Грузоподъемность статическая, Co (kN) 40
Ном. частота вращен. при пластич. смазке, n grease (1/min) 4500
Марка стали, Материал ШХ-15
Ном. частота вращен. при жидк. смазке, n oil (1/min) 5300
7000118 АШ ГОСТ 520
Бренд Обозначение
ГПЗ 7000118
SKF 16018
FAG 16018
NSK 16018
Товар добавлен в корзину
Перейти в корзину ×