Подшипники гост
Интернет-магазин
8-800-250-16-58
Обратный звонок

Заказ обратного звонка




Эл. почта:
info@amost.ru
Свои заказы Корзина пуста





Получать прайс-лист на email:

Чтобы отписаться от рассылки, введите e-mail, на который вы получаете наши письма:

 

Поиск подшипников

Масса и размеры

Внутренний диаметр d, мм

От  до 

Наружный диаметр D, мм

От  до 

Ширина b, мм

Применяемость

Раздел каталога

Подшипник шариковый радиальный однорядный

7000111 АЛШ ГОСТ 520

Отечественный
Импортный

Производитель



уточнять наличие
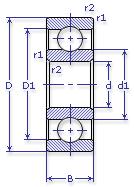
Обозначение 7000111 АЛШ ГОСТ 520
Внутренний диаметр, d (мм) 55
Наружный диаметр, D (мм) 90
Ширина, В (мм) 11
Масса, m (кг) 0.307
Грузоподъемность динамическая, C (kN) 17
Грузоподъемность статическая, Co (kN) 11.7
Ном. частота вращен. при пластич. смазке, n grease (1/min) 7500
Марка стали, Материал ШХ-15
Диаметр шарика, d шарика (мм) 7.144
Количество шариков, N шариков 17
Ном. частота вращен. при жидк. смазке, n oil (1/min) 9000
7000111 АЛШ ГОСТ 520
Бренд Обозначение
ГПЗ 7000111
SKF 16011
FAG 16011
NSK 16011
Товар добавлен в корзину
Перейти в корзину ×