Подшипники гост
Интернет-магазин
8-800-250-16-58
Обратный звонок

Заказ обратного звонка




Эл. почта:
info@amost.ru
Свои заказы Корзина пуста





Получать прайс-лист на email:

Чтобы отписаться от рассылки, введите e-mail, на который вы получаете наши письма:

 

Поиск подшипников

Масса и размеры

Внутренний диаметр d, мм

От  до 

Наружный диаметр D, мм

От  до 

Ширина b, мм

Применяемость

Раздел каталога

Подшипник шариковый радиальный однорядный

7000109 АЕШ ГОСТ 520

Отечественный
Импортный

Производитель



уточнять наличие
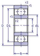
Обозначение 7000109 АЕШ ГОСТ 520
Внутренний диаметр, d (мм) 45
Наружный диаметр, D (мм) 75
Ширина, В (мм) 10
Масса, m (кг) 0.2100
Грузоподъемность динамическая, C (kN) 15.6
Грузоподъемность статическая, Co (kN) 9.3
Ном. частота вращен. при пластич. смазке, n grease (1/min) 9000
Диаметр шарика, d шарика (мм) 6.35
Количество шариков, N шариков 17
Ном. частота вращен. при жидк. смазке, n oil (1/min) 11000
7000109 АЕШ ГОСТ 520
Бренд Обозначение
ГПЗ 7000109
SKF 16009
FAG 16009
NSK 16009
Товар добавлен в корзину
Перейти в корзину ×