Подшипники гост
Интернет-магазин
8-800-250-16-58
Обратный звонок

Заказ обратного звонка




Эл. почта:
info@amost.ru
Свои заказы Корзина пуста





Получать прайс-лист на email:

Чтобы отписаться от рассылки, введите e-mail, на который вы получаете наши письма:

 

Поиск подшипников

Масса и размеры

Внутренний диаметр d, мм

От  до 

Наружный диаметр D, мм

От  до 

Ширина b, мм

Применяемость

Раздел каталога

Подшипник шариковый радиальный однорядный

7000109 Л ЕТУ ВНИПП.500

Отечественный
Импортный

Производитель



уточнять наличие
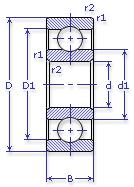
Обозначение 7000109 Л ЕТУ ВНИПП.500
Внутренний диаметр, d (мм) 45
Наружный диаметр, D (мм) 75
Ширина, В (мм) 10
Масса, m (кг) 0.2100
Грузоподъемность динамическая, C (kN) 15.6
Грузоподъемность статическая, Co (kN) 9.3
Ном. частота вращен. при пластич. смазке, n grease (1/min) 9000
Диаметр шарика, d шарика (мм) 6.35
Количество шариков, N шариков 17
Ном. частота вращен. при жидк. смазке, n oil (1/min) 11000
7000109 Л ЕТУ ВНИПП.500
Бренд Обозначение
ГПЗ 7000109
SKF 16009
FAG 16009
NSK 16009
Товар добавлен в корзину
Перейти в корзину ×