Подшипники гост
Интернет-магазин
8-800-250-16-58
Обратный звонок

Заказ обратного звонка




Эл. почта:
info@amost.ru
Свои заказы Корзина пуста





Получать прайс-лист на email:

Чтобы отписаться от рассылки, введите e-mail, на который вы получаете наши письма:

 

Поиск подшипников

Масса и размеры

Внутренний диаметр d, мм

От  до 

Наружный диаметр D, мм

От  до 

Ширина b, мм

Применяемость

Раздел каталога

Подшипник шариковый радиальный однорядный

7000107 ТУ 004

Отечественный
Импортный

Производитель



уточнять наличие
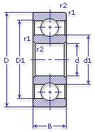
Обозначение 7000107 ТУ 004
Внутренний диаметр, d (мм) 35
Наружный диаметр, D (мм) 62
Ширина, В (мм) 9
Масса, m (кг) 0.111
Грузоподъемность динамическая, C (kN) 12.4
Грузоподъемность статическая, Co (kN) 7
Ном. частота вращен. при пластич. смазке, n grease (1/min) 10000
Диаметр шарика, d шарика (мм) 5.556
Количество шариков, N шариков 15
Ном. частота вращен. при жидк. смазке, n oil (1/min) 13000
7000107 ТУ 004
Бренд Обозначение
ГПЗ 7000107
SKF 16007
FAG 16007
NSK 16007
Товар добавлен в корзину
Перейти в корзину ×