Подшипники гост
Интернет-магазин
8-800-250-16-58
Обратный звонок

Заказ обратного звонка




Эл. почта:
info@amost.ru
Свои заказы Корзина пуста





Получать прайс-лист на email:

Чтобы отписаться от рассылки, введите e-mail, на который вы получаете наши письма:

 

Поиск подшипников

Масса и размеры

Внутренний диаметр d, мм

От  до 

Наружный диаметр D, мм

От  до 

Ширина b, мм

Применяемость

Раздел каталога

Подшипник шариковый радиальный однорядный основного конструктивного исполнения

905 ГОСТ 520

Отечественный
Импортный

Производитель



уточнять наличие
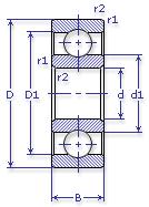
Обозначение 905 ГОСТ 520
Внутренний диаметр, d (мм) 25.006
Наружный диаметр, D (мм) 46.994
Ширина, В (мм) 12
Масса, m (кг) 0.095
Марка стали, Материал ЭИ-347
Диаметр шарика, d шарика (мм) 6.35
Количество шариков, N шариков 9
905 ГОСТ 520

Этот подшипник может быть заменен другими:

Подшипник 80905 — При условии демонтажа 2-х защитных шайб

Товар добавлен в корзину
Перейти в корзину ×