Подшипники гост
Интернет-магазин
8-800-250-16-58
Обратный звонок

Заказ обратного звонка




Эл. почта:
info@amost.ru
Свои заказы Корзина пуста





Получать прайс-лист на email:

Чтобы отписаться от рассылки, введите e-mail, на который вы получаете наши письма:

 

Поиск подшипников

Масса и размеры

Внутренний диаметр d, мм

От  до 

Наружный диаметр D, мм

От  до 

Ширина b, мм

Применяемость

Раздел каталога

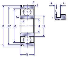
Подшипник шариковый радиальный однорядный с канавкой на наружном кольце

50408 АШ1 ГОСТ 520

Отечественный
Импортный
Цена: 533.00 руб

Производитель



под заказ
Обозначение 50408 АШ1 ГОСТ 520
Внутренний диаметр, d (мм) 40
Наружный диаметр, D (мм) 110
Ширина, В (мм) 27
Масса, m (кг) 1.2000
Грузоподъемность динамическая, C (kN) 63.7
Грузоподъемность статическая, Co (kN) 36.5
Ном. частота вращен. при пластич. смазке, n grease (1/min) 6700
Марка стали, Материал ШХ-15
Диаметр шарика, d шарика (мм) 22.225
Количество шариков, N шариков 6
Ном. частота вращен. при жидк. смазке, n oil (1/min) 8000
50408 АШ1 ГОСТ 520
Марка Модель Узел Кол-во на узел
Комбайн Енисей-1200 Коробка передач -
Комбайн КЗС-3 Коробка диапазонов: вал вторичный -
Комбайн Колос Коробка передач -
Комбайн КСК-100А/А1 Мост ведущий: коробка передач, валы и шестерни -
Комбайн Нива Коробка передач 1
Комбайн Нива Коробка передач: вал -
Косилка КПС-5Г Корпус передач -
Трактор МТЗ-2 Коробка передач: вал вторичный, опора передняя 1
Трактор МТЗ-5 Коробка передач: вал вторичный, опора передняя 1
Трактор МТЗ-5К Коробка передач: вал вторичный, опора передняя 1
Трактор МТЗ-5Л Коробка передач: вал вторичный, опора передняя 1
Трактор МТЗ-5ЛС Коробка передач: вал вторичный, опора передняя 1
Трактор МТЗ-5М Коробка передач: вал вторичный, опора передняя 1
Трактор МТЗ-5МС Коробка передач: вал вторичный, опора передняя 1
Трактор Т-150К Ходоуменьшитель: вал 1
Трактор Т-151К с двигателем СМД-62/63 Ходоуменьшитель: вал -
Трактор Т-151К с двигателем СМД-62А/63А Ходоуменьшитель: вал -
Трактор ХТЗ-120 Ходоуменьшитель: вал -
Трактор ХТЗ-121 Ходоуменьшитель: вал -
Трактор ХТЗ-16131 (кроме двигателя) Ходоуменьшитель: вал -
Трактор ЮМЗ-6АЛ Коробка передач -
Трактор ЮМЗ-6АМ Коробка передач -
Трактор ЮМЗ-6КМ Коробка передач -
Бренд Обозначение
ГПЗ 50408
SKF 6408N
FAG 6408N
NSK 6408N
Товар добавлен в корзину
Перейти в корзину ×