Подшипники гост
Интернет-магазин
8-800-250-16-58
Обратный звонок

Заказ обратного звонка




Эл. почта:
info@amost.ru
Свои заказы Корзина пуста





Получать прайс-лист на email:

Чтобы отписаться от рассылки, введите e-mail, на который вы получаете наши письма:

 

Поиск подшипников

Масса и размеры

Внутренний диаметр d, мм

От  до 

Наружный диаметр D, мм

От  до 

Ширина b, мм

Применяемость

Раздел каталога

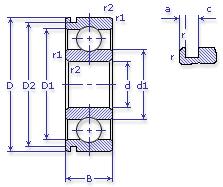
Подшипник шариковый радиальный однорядный с канавкой на наружном кольце

50407 АШ ГОСТ 520

Отечественный
Импортный

Производитель



уточнять наличие
Обозначение 50407 АШ ГОСТ 520
Внутренний диаметр, d (мм) 35
Наружный диаметр, D (мм) 100
Ширина, В (мм) 25
Масса, m (кг) 0.912
Грузоподъемность динамическая, C (kN) 55.3
Грузоподъемность статическая, Co (kN) 31
Ном. частота вращен. при пластич. смазке, n grease (1/min) 7000
Марка стали, Материал ШХ-15
Диаметр шарика, d шарика (мм) 20.638
Количество шариков, N шариков 6
Ном. частота вращен. при жидк. смазке, n oil (1/min) 8500
50407 АШ ГОСТ 520
Марка Модель Узел Кол-во на узел
Автопогрузчик 4008М Коробка передач 1
Бренд Обозначение
ГПЗ 50407
SKF 6407N
FAG 6407N
NSK 6407N
Товар добавлен в корзину
Перейти в корзину ×