Подшипники гост
Интернет-магазин
8-800-250-16-58
Обратный звонок

Заказ обратного звонка




Эл. почта:
info@amost.ru
Свои заказы Корзина пуста





Получать прайс-лист на email:

Чтобы отписаться от рассылки, введите e-mail, на который вы получаете наши письма:

 

Поиск подшипников

Масса и размеры

Внутренний диаметр d, мм

От  до 

Наружный диаметр D, мм

От  до 

Ширина b, мм

Применяемость

Раздел каталога

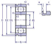
Подшипник шариковый радиальный однорядный с канавкой на наружном кольце

50120 АШ1 ГОСТ 520

Отечественный
Импортный
Цена: 702.00 руб

Производитель



под заказ
Обозначение 50120 АШ1 ГОСТ 520
Внутренний диаметр, d (мм) 100
Наружный диаметр, D (мм) 150
Ширина, В (мм) 24
Масса, m (кг) 1.6
Грузоподъемность динамическая, C (kN) 60.5
Грузоподъемность статическая, Co (kN) 41.5
Ном. частота вращен. при пластич. смазке, n grease (1/min) 4300
Ном. частота вращен. при жидк. смазке, n oil (1/min) 5000
50120 АШ1 ГОСТ 520
Бренд Обозначение
ГПЗ 50120
SKF 6020N
FAG 6020N
NSK 6020N
Товар добавлен в корзину
Перейти в корзину ×